Информация для ПРОЕКТИРОВЩИКОВ 

 комплекс средств видеоконтроля
Наблюдатель Свк

Методические рекомендации

Подробнее
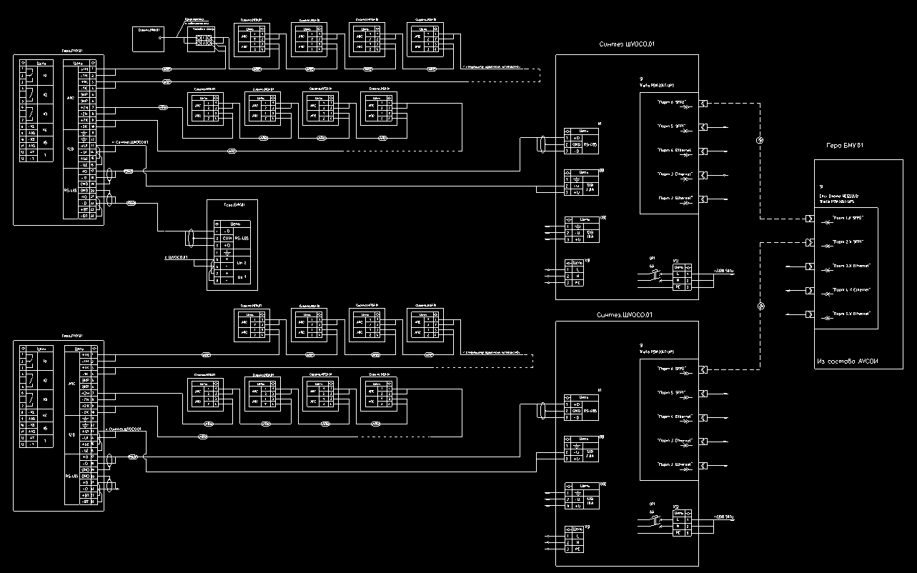
комплекс технических средств охраны Зевс 1 св



Пособие по

проектированию КТСО


Типовые проектные решения в DWG


Схемы подключения в DWG


Спецификации разделов 


Методические рекомендации по применению 


КОМПЛЕКС ТЕХНИЧЕСКИХ СРЕДСТВ ОХРАНЫ

ЗЕВС 1 СВ 




CRM-форма появится здесь
Cookie-файлы
Настройка cookie-файлов
Детальная информация о целях обработки данных и поставщиках, которые мы используем на наших сайтах
Аналитические Cookie-файлы Отключить все
Технические Cookie-файлы
Другие Cookie-файлы
Мы используем файлы Cookie для улучшения работы, персонализации и повышения удобства пользования нашим сайтом. Продолжая посещать сайт, вы соглашаетесь на использование нами файлов Cookie. Подробнее о нашей политике в отношении Cookie.
Принять все Отказаться от всех Настроить
Cookies